CÔNG TY TNHH AN ĐỨC PHÁT
Tin tức

Transistor là gì? Cấu tạo, nguyên lý hoạt động và ứng dụng thực tế

Transistor là linh kiện bán dẫn quan trọng trong điện tử hiện đại, có thể hoạt động như công tắc điện tử hoặc phần tử khuếch đại tín hiệu. Bài viết này giải thích dễ hiểu transistor là gì, cách transistor BJT và MOSFET hoạt động, cùng những ứng dụng thực tế người mới cần nắm.
17-09-2016 01:29:24 AM - 14772

Transistor là gì và vì sao nó quan trọng?

Transistor là linh kiện bán dẫn có khả năng điều khiển dòng điện. Nó có thể đóng vai trò công tắc điện tử, bộ khuếch đại tín hiệu, phần tử điều khiển công suất và cũng là nền tảng của vi mạch số lẫn mạch tương tự. Từ radio, TV, ampli, nguồn xung, sạc điện thoại, mạch ô tô, bo mạch điều khiển đến chip xử lý hiện đại, transistor đều xuất hiện ở khắp nơi.

Hai việc chính transistor làm được

1. Dùng như công tắc điện tử

Đây là ứng dụng phổ biến nhất trong các mạch cơ bản.
Ví dụ, chân GPIO của vi điều khiển chỉ cấp được dòng nhỏ, nhưng thông qua transistor, chân đó có thể bật tắt relay, LED công suất hoặc motor nhỏ.

2. Dùng để khuếch đại tín hiệu

Ngoài đóng và ngắt, transistor còn có thể hoạt động ở trạng thái “ở giữa”, nghĩa là không tắt hẳn và cũng chưa mở hẳn. Ở trạng thái này, một tín hiệu nhỏ có thể điều khiển một tín hiệu lớn hơn. Đó là nền tảng của khuếch đại âm thanh, khuếch đại tín hiệu cảm biến và nhiều mạch tương tự khác.

Transistor hoạt động như thế nào? Giải thích dễ hiểu, đúng kỹ thuật, có ví dụ thực tế cho người mới bắt đầu

Transistor là một trong những linh kiện quan trọng nhất của điện tử hiện đại. Nếu điện trở giống như “vật cản” của dòng điện, tụ điện giống như “bể chứa điện nhỏ”, thì transistor có thể xem như một công tắc điện tử thông minh hoặc một van điều khiển dòng điện.

Nhờ transistor, một tín hiệu nhỏ từ vi điều khiển, cảm biến hay mạch logic có thể điều khiển được tải lớn hơn như LED công suất, relay, motor, quạt, còi, loa, mạch nguồn và rất nhiều khối chức năng khác.

Điều quan trọng nhất với người mới là hiểu rằng transistor không phải phép màu. Nó chỉ làm hai việc cốt lõi:

  • Đóng/ngắt dòng điện
  • Điều khiển một dòng hoặc điện áp lớn hơn bằng một tín hiệu nhỏ hơn

Khi nắm chắc hai ý này, bạn sẽ thấy transistor không hề khó.

Transistor hoạt động như thế nào
Hình ảnh Transistor

Người mới cần biết những loại transistor nào?

Trong điện tử cơ bản, bạn nên học thật chắc hai họ transistor phổ biến nhất:

  • BJT
  • MOSFET

BJT là gì?

Hình dưới đây là ký hiệu transistor BJT loại NPN. Ba chân của transistor gồm base (b), collector (c) và emitter (e).

Ký hiệu transistor BJT NPN với các chân base collector emitter
Hình 1. Ký hiệu transistor BJT NPN với ba chân base, collector và emitter
  • b là base
  • c là collector
  • e là emitter
  • Mũi tên ở chân emitter giúp phân biệt loại transistor. Với transistor NPN, mũi tên hướng ra ngoài.

BJT là transistor có 3 chân:

  • Base
  • Collector
  • Emitter

Loại người mới gặp nhiều nhất là NPN.

Với BJT, một dòng nhỏ ở base sẽ điều khiển dòng lớn hơn chạy qua collector và emitter. Vì vậy, có thể xem BJT là transistor điều khiển bằng dòng.

Hình dưới đây minh họa nguyên lý cơ bản của transistor BJT NPN. Khi một dòng nhỏ đi vào chân base, transistor cho phép một dòng lớn hơn đi qua collector và emitter.

Nguyên lý transistor BJT NPN với dòng nhỏ ở base điều khiển dòng lớn qua collector và emitter
Hình 2. Nguyên lý cơ bản của transistor BJT NPN: dòng nhỏ ở base điều khiển dòng lớn hơn qua collector-emitter.

Trong hình, mũi tên bên trái cho biết một dòng nhỏ đi vào chân base, còn mũi tên bên phải cho biết transistor cho phép một dòng lớn hơn đi qua nhánh collector-emitter.

MOSFET là gì?

MOSFET cũng có 3 chân:

  • Gate
  • Drain
  • Source

Loại hay dùng nhất là N-channel MOSFET.

Với MOSFET, điều quan trọng nhất là điện áp giữa gate và source. Gate gần như không cần dòng DC liên tục để giữ trạng thái bật như BJT, nhưng khi chuyển trạng thái thì gate phải được nạp và xả điện tích. Vì vậy, có thể xem MOSFET là transistor điều khiển bằng điện áp.

Hình dưới đây là ký hiệu MOSFET với ba chân cơ bản gồm gate (g), drain (d) và source (s). Đây là loại ký hiệu rất thường gặp khi đọc sơ đồ nguyên lý mạch điện tử.

Ký hiệu MOSFET N-channel tiêu chuẩn với chú thích chân: Gate (G), Drain (D), Source (S)
Hình 4. Ký hiệu MOSFET N-channel với các chân gate (g), drain (d) và source (s)

Trong ký hiệu MOSFET công suất, thường có thể thấy thêm diode thân bên trong linh kiện. Đây là một đặc điểm rất quan trọng khi đọc sơ đồ và thiết kế mạch đóng cắt tải.

Trong đó, gate là chân điều khiển, còn dòng chính thường đi qua drain và source. Với MOSFET, điện áp giữa gate và source quyết định transistor mở mạnh hay yếu.

Câu nhớ nhanh cho người mới

Nếu chỉ nhớ một câu thôi, hãy nhớ câu này:

  • BJT điều khiển bằng dòng
  • MOSFET điều khiển bằng điện áp

Đây là câu rất đúng để bắt đầu học.

Bảng so sánh nhanh BJT và MOSFET

Tiêu chí

BJT

MOSFET

Cách điều khiển

Bằng dòng base

Bằng điện áp gate-source

Dòng điều khiển

Cần dòng vào base

Gate gần như không ăn dòng DC liên tục

Tốc độ chuyển mạch

Thường chậm hơn trong nhiều ứng dụng đóng cắt

Thường nhanh hơn

Tổn hao khi làm công tắc

Thường cao hơn do có sụt áp bão hòa

Thường thấp hơn nếu chọn đúng part

Dễ học nền tảng

Rất tốt

Tốt, nhưng dễ chọn nhầm nếu không hiểu datasheet

Dùng với tải nhỏ

Rất phù hợp

Cũng rất phù hợp

Dùng với tải dòng lớn

Dùng được nhưng thường kém hiệu quả hơn

Thường phù hợp hơn

Khi nào nên chọn

Mạch đơn giản, tải nhỏ, học nguyên lý

Cần hiệu suất cao hơn, tải lớn hơn, điều khiển bằng MCU

Kết luận ngắn sau bảng

  • Muốn học chắc nền tảng: bắt đầu với BJT
  • Muốn đóng cắt tải hiệu quả: ưu tiên MOSFET
  • Làm mạch với GPIO 3.3 V hoặc 5 V: phải chọn MOSFET logic-level đúng nghĩa

BJT hoạt động như thế nào?

Nguyên lý cơ bản của BJT NPN

Bạn có thể tưởng tượng BJT NPN như một chiếc van nước:

  • Chân base giống như tay vặn nhỏ
  • Khi có dòng đi vào base, transistor cho phép dòng lớn hơn đi qua collector emitter.
  • Khi không có dòng vào base, transistor gần như tắt.
  • Vì vậy, BJT có thể hoạt động như một công tắc điện tử.

Nói cách khác, base là chân điều khiển, còn collector-emitter là đường công suất.

Hình dưới đây minh họa một transistor BJT NPN được dùng như công tắc điện tử kiểu low-side để bật hoặc tắt LED. Trong mạch này, transistor nằm ở phía dưới tải và điều khiển dòng điện đi từ nguồn qua LED xuống mass.

Sơ đồ transistor BJT NPN điều khiển LED theo kiểu low-side với điện trở hạn dòng
Hình 2. Mạch BJT NPN kéo LED kiểu low-side, trong đó transistor Q1 hoạt động như công tắc điện tử.

Điện trở R2 có nhiệm vụ hạn dòng cho LED, còn transistor Q1 đóng vai trò công tắc điều khiển dòng qua đèn.

Trong sơ đồ này, L1 là LED, R2 là điện trở hạn dòng, Q1 là transistor BJT NPN. Khi chân base được cấp tín hiệu phù hợp, transistor mở và cho dòng chạy qua LED, làm đèn sáng.

Hiểu đúng về điện áp base-emitter khoảng 0.7 V

Người mới thường nghe câu:

BJT cần khoảng 0.7 V để mở

Câu này đúng ở mức gần đúng để ghi nhớ, nhưng không phải lúc nào cũng đúng như một hằng số tuyệt đối.

Điện áp giữa base và emitter:

  • Thay đổi theo dòng điện
  • Thay đổi theo nhiệt độ
  • Thay đổi theo trạng thái làm việc

Vì vậy, hãy hiểu đúng như sau:

khoảng 0.6 V đến 0.7 V là vùng BJT silicon bắt đầu dẫn rõ trong rất nhiều mạch thông dụng
nhưng khi thiết kế thực tế, không nên coi 0.7 V là con số cố định cho mọi trường hợp

Vì sao không nên chỉ nhìn hFE?

Đây là lỗi rất phổ biến.

Người mới thường thấy transistor có hệ số khuếch đại dòng hFE khoảng 100, rồi nghĩ:

  • Base 1 mA thì collector chắc chắn được 100 mA

Cách nghĩ đó dễ làm mạch hoạt động không ổn định vì:

  • hFE không cố định
  • hFE thay đổi theo dòng tải
  • hFE thay đổi theo nhiệt độ
  • hFE thay đổi theo từng con transistor thực tế

Vì vậy, nếu dùng BJT làm công tắc, bạn không nên thiết kế theo kiểu quá phụ thuộc vào hFE đẹp trên giấy. Cách an toàn hơn là ép transistor vào bão hòa.

Bão hòa là gì?

Bão hòa là trạng thái transistor mở đủ mạnh để làm việc giống như một công tắc đóng.

Khi transistor vào bão hòa:

  • Điện áp rơi giữa collector và emitter nhỏ
  • Transistor ít hao công suất hơn so với trạng thái nửa mở
  • Tải nhận điện áp tốt hơn
  • Mạch ổn định hơn

Nếu base không được cấp đủ mạnh, transistor có thể ở trạng thái “nửa mở nửa tắt”, dẫn đến:

  • LED sáng yếu
  • Relay hút không chắc
  • Transistor nóng
  • Mạch chạy chập chờn

Sơ đồ BJT kéo tải kiểu low-side

Đây là kiểu sơ đồ cơ bản nhất mà người mới nên học trước.

            +V
              |
           [TẢI]
              |
             +------ C
                        |
GPIO ---[Rb]--B   NPN
                        |
                       E
                       |
                   GND

Hình dưới đây minh họa cách transistor BJT NPN hoạt động như một công tắc điện tử kiểu low-side để điều khiển LED. Trong mạch này, tín hiệu điều khiển đi vào chân base qua điện trở R1, còn LED được mắc ở nhánh collector cùng điện trở hạn dòng R2.

Mạch transistor BJT NPN điều khiển LED kiểu low-side với điện trở base R1 và điện trở hạn dòng R2
Hình 3. Sơ đồ BJT NPN điều khiển LED kiểu low-side, trong đó R1 giới hạn dòng base và R2 hạn dòng cho LED

Khi công tắc đóng, dòng nhỏ đi qua R1 vào base làm transistor Q1 mở. Khi đó, dòng chính chạy qua R2, LED L1 và transistor Q1 xuống mass, khiến LED sáng.

Cách hiểu sơ đồ

  • Tải nối lên nguồn dương
  • Transistor NPN nằm ở phía dưới
  • GPIO đưa tín hiệu vào chân base qua điện trở Rb
  • Khi transistor mở, dòng chạy từ nguồn qua tải, qua transistor xuống GND
  • Tải hoạt động

Ví dụ minh họa cách tính điện trở base R1

Giả sử điện áp nguồn là 9 V, điện áp giữa base và emitter của transistor là khoảng 0,7 V, và bạn muốn dòng base vào khoảng 0,1 mA.

Khi đó điện áp rơi trên điện trở R1 là:

  • VR1 = 9 V - 0,7 V = 8,3 V

Áp dụng định luật Ohm:

Chú ý: Trước khi tính điện trở base hoặc điện trở hạn dòng cho LED, bạn cần nhớ mối quan hệ cơ bản giữa điện áp, dòng điện và điện trở. Hình dưới đây là một hình gợi nhớ nhanh cho phần kiến thức này.

Minh họa mối quan hệ giữa điện áp, dòng điện và điện trở trong điện tử cơ bản
Hình 4. Hình minh họa gợi nhớ mối quan hệ giữa điện áp, dòng điện và điện trở khi tính toán mạch điện cơ bản.

Trong điện tử cơ bản, điện áp, dòng điện và điện trở luôn liên hệ chặt chẽ với nhau. Khi tính điện trở cho transistor hoặc LED, bạn nên quay lại công thức của định luật Ohm để chọn giá trị phù hợp.

R1 = V / I = 8,3 / 0,0001 = 83.000 Ω = 83 kΩ

Trong thực tế, bạn có thể chọn giá trị điện trở chuẩn gần nhất là 82 kΩ.

Lưu ý: Đây là ví dụ để minh họa cách tính điện trở base. Khi dùng transistor như công tắc, bạn thường cần chọn dòng base đủ mạnh hơn để transistor mở chắc và vào bão hòa.

Vì sao đây là kiểu mạch rất phù hợp cho người mới?

Vì đây là kiểu low-side switch, tức công tắc đặt ở phía mass. Kiểu này:

  • Dễ hình dung
  • Dễ đo điện áp
  • Dễ tính toán
  • Ít nhầm hơn kiểu high-side
  • Phù hợp với phần lớn ví dụ học tập ban đầu

Ví dụ thực tế dùng BJT để kéo tải nhỏ

Ví dụ: dùng transistor NPN để điều khiển tải 10 mA từ chân 5 V

Giả sử:

  • Chân điều khiển là 5 V
  • Tải cần khoảng 10 mA
  • Bạn muốn transistor mở chắc như công tắc

Một cách thiết kế thực dụng là chọn dòng base khoảng 1 mA để tăng khả năng transistor vào bão hòa.

Khi đó, điện trở base có thể tính gần đúng như sau:

Công thức tính điện trở base

  • RB = (Vdrive - VBE) / IB

Trong đó:

  • RB: điện trở base
  • Vdrive: điện áp điều khiển từ GPIO
  • VBE: điện áp base-emitter khi transistor dẫn
  • IB: dòng base mong muốn

Tính với nguồn điều khiển 5 V

Lấy gần đúng

  • Vdrive = 5 V
  • VBE ≈ 0.85 V trong trạng thái bão hòa
  • IB = 1 mA = 0.001 A

RB = (5 - 0.85) / 0.001 = 4.15 kΩ

Giá trị điện trở chuẩn gần nhất là

  • 3.9 kΩ
  • hoặc 4.3 kΩ.

Tính với nguồn điều khiển 3.3 V

RB = (3.3 - 0.85) / 0.001 = 2.45 kΩ

Bạn có thể chọn

  • 2.4 kΩ.

Đây là ví dụ rất sát với cách kỹ sư làm mạch thực tế:
không đoán mò, mà chọn điểm làm việc rồi tính điện trở phù hợp.

Điều cần nhớ từ ví dụ này

  • Không nên chỉ nhìn hFE rồi chia dòng một cách máy móc
  • Hãy thiết kế base đủ mạnh để transistor vào bão hòa
  • BJT rất hợp cho tải nhỏ, mạch đơn giản và mục đích học tập

Ngoài LED và relay, transistor còn có thể dùng để điều khiển các tải khác như loa nhỏ, buzzer hoặc còi báo. Hình dưới đây là một ví dụ đơn giản về transistor BJT điều khiển loa theo kiểu low-side.

Sơ đồ transistor BJT điều khiển loa theo kiểu low-side
Hình 9. Sơ đồ BJT dùng để điều khiển loa hoặc buzzer trong mạch điện tử đơn giản.

Điện trở ở đầu vào dùng để giới hạn dòng vào chân base, còn transistor đóng vai trò công tắc điện tử để điều khiển dòng đi qua tải âm thanh.

MOSFET hoạt động như thế nào?

Nguyên lý cơ bản của N-channel MOSFET

MOSFET hoạt động khác BJT.

Ở MOSFET:

  • Gate không cần dòng DC liên tục như base
  • Điện áp giữa gate và source tạo ra kênh dẫn
  • Kênh dẫn mở càng mạnh thì điện trở giữa drain và source càng nhỏ

Bạn có thể tưởng tượng MOSFET như một cánh cửa điện tử:

  • Gate là nút điều khiển
  • Điện áp đúng làm cửa mở
  • Cửa mở càng mạnh thì dòng đi qua càng dễ

Điều quan trọng nhất: threshold voltage không phải điện áp mở hoàn toàn

Đây là chỗ người mới hay hiểu sai nhất.

Nhiều người thấy datasheet ghi:

 VGS(th) khoảng 1 V, 2 V hay 3 V

rồi nghĩ rằng

  • Chỉ cần đạt mức đó là MOSFET đã mở tốt.

Đây là cách hiểu sai.

Hiểu đúng về VGS(th)

Threshold voltage chỉ là mức mà MOSFET:

  • Bắt đầu dẫn
  • Nhưng dòng dẫn lúc đó còn nhỏ
  • Chưa chắc đã mở đủ mạnh để làm công tắc tốt

Muốn biết MOSFET có mở “ngon” hay không, phải xem:

 RDS(on) tại đúng điện áp gate mà bạn thật sự có.

Ví dụ:

  • Nếu mạch của bạn dùng GPIO 3.3 V
  • Thì phải xem MOSFET đó có thông số tốt ở 2.5 V hoặc 3.3 V hay không
  • Nếu datasheet chỉ ghi đẹp ở 10 V thì phải rất cẩn thận

Gate của MOSFET không ăn dòng liên tục, nhưng khi bật tắt thì có dòng nạp

Gate của MOSFET giống như một tụ điện nhỏ.

Khi bật MOSFET:

  • Gate phải được nạp điện tích

Khi tắt MOSFET:

  • Gate phải được xả điện tích

Vì vậy, câu “MOSFET không ăn dòng gate” chỉ đúng trong trạng thái DC ổn định. Còn lúc chuyển trạng thái, gate vẫn có dòng xung.

Đó là lý do mạch MOSFET thường có:

  • Điện trở gate
  • Điện trở kéo xuống gate

Sơ đồ MOSFET kéo tải kiểu low-side

             +V
               |
           [TẢI]
               |
              +------ D
                        |
GPIO --[Rg]---G   N-MOSFET
                        |
                    [Rpull-down]
                        |
                       S
                        |
                     GND

Cách hiểu sơ đồ

  • Tải nối lên nguồn dương
  • MOSFET nằm phía dưới, kéo xuống mass
  • Gate nhận tín hiệu từ GPIO qua điện trở gate
  • Có điện trở kéo xuống để giữ MOSFET tắt khi gate chưa ổn định
  • Khi điện áp gate-source đủ lớn, MOSFET mở và tải hoạt động

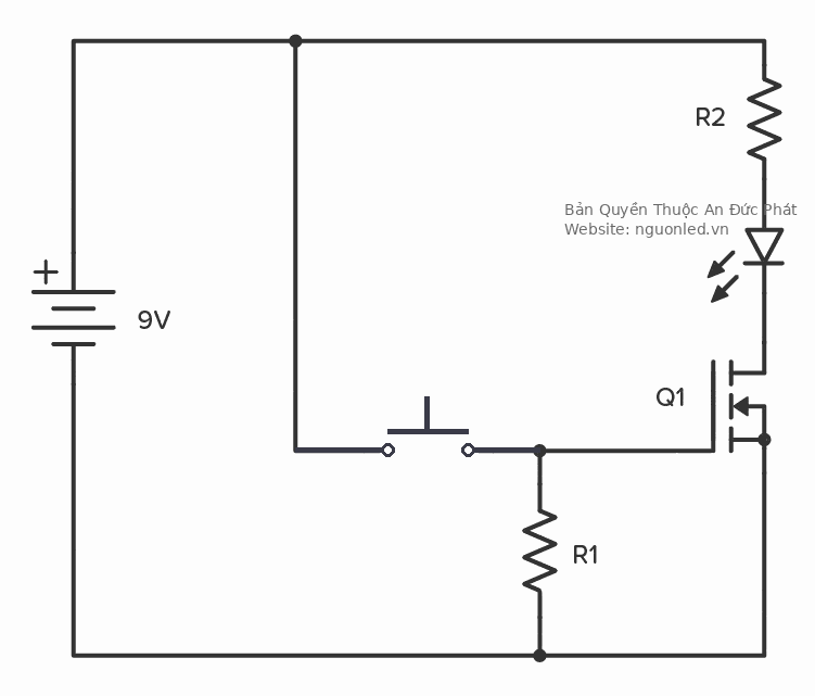
Hình dưới đây minh họa một MOSFET được dùng như công tắc điện tử kiểu low-side để điều khiển LED. Trong mạch này, tải được đặt ở phía trên, còn MOSFET Q1 nằm ở nhánh dưới để đóng hoặc ngắt dòng điện xuống mass.

Mạch MOSFET điều khiển LED kiểu low-side với điện trở kéo xuống gate R1 và điện trở hạn dòng R2
Hình 5. Sơ đồ MOSFET điều khiển LED kiểu low-side, trong đó R1 là điện trở kéo xuống gate và R2 là điện trở hạn dòng cho LED.

Khi công tắc đóng, gate của MOSFET được đưa lên mức điện áp cao nên transistor mở và LED sáng. Khi công tắc mở, điện trở R1 kéo gate xuống thấp để MOSFET tắt ổn định và tránh tự mở ngoài ý muốn.

Vai trò của điện trở gate

Điện trở gate Rg dùng để làm gì?

Nó giúp:

  • Hạn chế dòng xung nạp gate
  • Làm chuyển mạch “hiền” hơn
  • Bảo vệ GPIO tốt hơn
  • Giảm khả năng rung hoặc dao động

Vai trò của điện trở kéo xuống gate

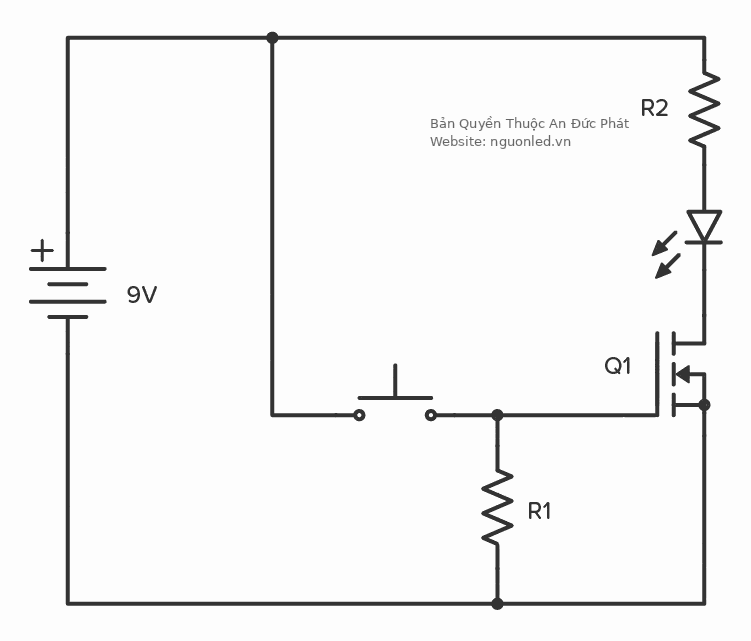
Điện trở kéo xuống gate là một chi tiết nhỏ nhưng rất quan trọng trong mạch MOSFET. Nó giúp gate trở về mức thấp khi không còn tín hiệu điều khiển, nhờ đó MOSFET tắt ổn định và tránh tự mở ngoài ý muốn.

Hình dưới đây minh họa vai trò của điện trở kéo xuống gate trong mạch MOSFET. Điện trở R1 giúp gate trở về mức thấp khi nút nhấn không còn được tác động, nhờ đó transistor tắt ổn định.

Điện trở kéo xuống gate R1 giúp MOSFET tắt khi không còn tín hiệu điều khiển
Hình 6. Điện trở R1 kéo gate xuống mức thấp để MOSFET tắt khi không còn tín hiệu điều khiển.

Nếu không có điện trở kéo xuống, gate có thể bị treo và MOSFET có thể tự mở ngẫu nhiên, đặc biệt khi mạch mới cấp nguồn hoặc chân điều khiển chưa ổn định.

Điện trở kéo xuống dùng để làm gì?

Nó giúp:

  • Gate không bị treo
  • MOSFET không tự mở ngẫu nhiên lúc khởi động
  • Mạch ổn định hơn

Trong nhiều mạch cơ bản, dùng khoảng 100 kΩ là một lựa chọn rất phổ biến và dễ áp dụng.

Sơ đồ relay có diode dập xung

Relay là tải cảm. Tải cảm khác hoàn toàn LED hoặc điện trở. Khi bạn tắt dòng qua cuộn relay, cuộn dây sẽ cố giữ dòng lại và tạo ra điện áp ngược lớn. Nếu không bảo vệ đúng

         +V
         |
        ( )  Cuộn relay
        ( )
         |
         +-----------+
         |           |
         |          | |
         |          | | Diode dập xung
         |          |_|
         |           |
         +------C----+
                |
GPIO --[Rb]-----B   NPN
                |
                E
                |
               GND

Diode dập xung để làm gì?

Khi transistor tắt:

  • Cuộn dây không muốn dòng biến mất ngay lập tức
  • Cuộn dây tạo ra điện áp ngược
  • Điode cho phép dòng tuần hoàn an toàn
  • Transistor không bị “đánh ngược”

Relay là một tải cảm, vì vậy khi ngắt dòng qua cuộn relay, mạch sẽ sinh ra điện áp ngược có thể làm hỏng transistor nếu không được bảo vệ đúng cách. Hình dưới đây minh họa một transistor BJT NPN điều khiển relay kiểu low-side, kèm diode dập xung để bảo vệ mạch.

Mạch transistor BJT NPN điều khiển relay với diode dập xung bảo vệ transistor
Hình 8. Sơ đồ transistor BJT NPN điều khiển relay kiểu low-side, có diode dập xung để bảo vệ khi ngắt tải cảm.

Trong sơ đồ này, transistor đóng vai trò công tắc điện tử, còn diode mắc song song với cuộn relay dùng để triệt điện áp ngược khi relay nhả. Nhờ đó transistor và mạch điều khiển được bảo vệ tốt hơn.

Nếu quên diode dập xung thì điều gì có thể xảy ra?

Khi relay, cuộn dây, solenoid hoặc motor DC đang có dòng chạy qua, trong tải cảm sẽ tồn tại năng lượng từ trường. Khi transistor tắt đột ngột, dòng điện không thể giảm về 0 ngay lập tức. Cuộn dây sẽ cố duy trì dòng đó và tạo ra một điện áp ngược rất lớn.

Điện áp ngược này có thể gây ra nhiều vấn đề:

  • Transistor dễ hỏng vì bị điện áp vượt quá mức chịu đựng
  • Mạch bị nhiễu do xuất hiện xung điện áp lớn
  • Vi điều khiển có thể reset hoặc hoạt động sai vì nhiễu quay ngược về nguồn hoặc mass
  • Relay hoạt động không ổn định nếu xung ngược làm ảnh hưởng đến phần điều khiển
  • Tuổi thọ mạch giảm do linh kiện phải chịu stress điện áp lặp đi lặp lại

Nói đơn giản, nếu không có diode bảo vệ, mỗi lần ngắt relay là mỗi lần transistor có nguy cơ bị “đánh ngược” bởi chính cuộn dây mà nó đang điều khiển.

Vì sao diode dập xung lại quan trọng?

Diode dập xung được mắc song song với cuộn relay hoặc tải cảm, nhưng mắc ngược chiều nguồn. Trong điều kiện bình thường, diode không dẫn. Khi transistor tắt và cuộn dây sinh điện áp ngược, diode sẽ dẫn và tạo ra một đường cho dòng điện tiếp tục chạy vòng trong cuộn dây. Nhờ đó, điện áp đỉnh bị giảm xuống mức an toàn hơn và transistor được bảo vệ.

Quy tắc rất quan trọng cần nhớ

Nếu tải là:

  • Relay
  • Cuộn dây
  • Solenoid
  • Motor DC

thì bạn luôn phải nghĩ đến một trong các giải pháp bảo vệ sau:

  • Điode dập xung
  • Mạch kẹp điện áp
  • Driver có bảo vệ tích hợp

Với mạch cơ bản, diode dập xung thường là giải pháp đơn giản và hiệu quả nhất. Với các ứng dụng nhanh hơn, tải lớn hơn hoặc yêu cầu khắt khe hơn, bạn có thể cần mạch kẹp hoặc IC driver chuyên dụng.

Sơ đồ ví dụ chân GPIO 3.3 V điều khiển MOSFET

Đây là kiểu sơ đồ rất thực tế với các vi điều khiển hiện đại như ESP32, STM32, RP2040, Pico hoặc nhiều bo mạch 3.3 V khác.

                               +12V
                               |
                           [TẢI]
                               |
                              +------ D
                                         |
GPIO 3.3V --[330Ω]------ G   N-MOSFET logic-level
                                         |
                                   [100kΩ]
                                         |
                                        S
                                         |
                                      GND

GND của vi điều khiển nối chung với GND nguồn tải

Hình dưới đây minh họa cách một chân output của vi điều khiển điều khiển MOSFET để bật hoặc tắt tải 12V như motor, đèn hoặc LED strip. Đây là cấu trúc rất phổ biến trong mạch thực tế khi tín hiệu điều khiển và nguồn tải có mức điện áp khác nhau.

Mạch vi điều khiển 5V điều khiển tải 12V qua MOSFET với điện trở gate và điện trở kéo xuống
Hình 7. Ví dụ vi điều khiển 5V điều khiển tải 12V qua MOSFET kiểu low-side, có điện trở gate và điện trở kéo xuống gate.

Gate resistor giúp hạn chế dòng xung vào gate, còn pull-down resistor giúp MOSFET tắt ổn định khi chân điều khiển chưa hoạt động. Mạch điều khiển và mạch tải phải nối chung GND để MOSFET hoạt động đúng.

Điều quan trọng nhất trong sơ đồ này

1. Phải nối chung GND

Đây là lỗi người mới gặp rất nhiều.

Nếu GND của vi điều khiển và GND của nguồn tải không nối chung, thì:

  • điện áp gate-source không được xác định đúng
  • MOSFET có thể không mở đúng
  • Mạch chạy chập chờn hoặc không chạy

2. Phải dùng MOSFET logic-level phù hợp 3.3 V

Không phải MOSFET nào cũng dùng tốt với 3.3 V.
Bạn phải chọn loại có thông số rõ ràng ở điện áp gate thấp.

3. Điện trở 330 Ω ở gate để làm gì?

Điện trở này giúp:

  • Giảm dòng xung nạp gate
  • Bảo vệ GPIO
  • Làm quá trình chuyển trạng thái êm hơn

4. Điện trở 100 kΩ kéo xuống để làm gì?

Điện trở này giữ gate ở mức thấp khi vi điều khiển mới khởi động hoặc chân GPIO đang ở trạng thái chưa xác định. Nhờ đó tải không bị tự bật ngoài ý muốn.

Ví dụ MOSFET logic-level có công thức và cách tính rõ ràng

Khi chọn MOSFET logic-level cho mạch đóng cắt, người mới thường chỉ nhìn điện áp ngưỡng hoặc dòng tối đa. Tuy nhiên, để chọn đúng MOSFET cho mạch thực tế, bạn cần nhìn đầy đủ hơn vào các thông số quan trọng.

Muốn chọn MOSFET đúng thì nhìn gì?

Khi chọn MOSFET cho mạch đóng cắt, hãy kiểm tra theo thứ tự sau:

  1. Điện áp chịu đựng có đủ không
  2. Dòng chịu đựng có đủ không
  3. RDS(on) tại đúng điện áp gate thực tế
  4. Khả năng tản nhiệt
  5. Package và cách bố trí mạch
  6. Nếu dùng PWM hoặc chuyển mạch nhanh thì xem thêm điện tích gate và tốc độ chuyển mạch

Sai lầm lớn nhất khi chọn MOSFET

Sai lầm lớn nhất là chỉ nhìn:

  • Dòng tối đa
  • Threshold voltage

mà bỏ qua yếu tố quan trọng nhất:

  • MOSFET có mở tốt ở đúng điện áp gate thực tế hay không

Đây là lý do rất nhiều mạch trên lý thuyết thì đúng nhưng khi lắp thực tế lại bị nóng, yếu hoặc hoạt động không ổn định.

Ví dụ tính tổn hao dẫn của MOSFET

Giả sử bạn có một MOSFET logic-level với các thông số sau:

  • RDS(on) = 48 mΩ = 0.048 Ω tại mức điện áp gate phù hợp
  • Tải cần dòng 1 A

Tổn hao dẫn xấp xỉ được tính bằng công thức sau:

Công thức tính tổn hao dẫn

P ≈ I² × RDS(on)

Thay số vào:

P ≈ 1² × 0.048 = 0.048 W

Tức là MOSFET tiêu tán khoảng 48 mW.

Nếu cùng MOSFET đó mở mạnh hơn và RDS(on) giảm còn 32 mΩ = 0.032 Ω, ta có:

P ≈ 1² × 0.032 = 0.032 W

Tức là MOSFET chỉ còn tiêu tán khoảng 32 mW.

Bài học rút ra từ ví dụ này

Cùng một MOSFET, nếu điện áp điều khiển gate tốt hơn thì:

  • RDS(on) thấp hơn
  • Tổn hao nhỏ hơn
  • MOSFET mát hơn
  • Mạch hoạt động ổn định hơn

Đó là lý do vì sao cùng một con MOSFET, khi lái bằng 3.3 V có thể nóng hơn khi lái bằng 5 V hoặc cao hơn, nếu datasheet cho phép.

Ví dụ dòng nạp gate và vai trò của điện trở gate

Gate là một tụ điện nhỏ

Gate của MOSFET không ăn dòng liên tục như base của BJT, nhưng khi chuyển trạng thái thì gate phải được nạp điện tích.

Giả sử một MOSFET có điện tích gate xấp xỉ:

  •  Qg = 7 nC

và bạn điều khiển bằng:

  • GPIO 3.3 V
  • điện trở gate Rg = 330 Ω

Khi đó, dòng nạp ban đầu có thể ước lượng gần đúng theo định luật Ohm.

Công thức ước lượng dòng nạp gate

  • I ≈ V / R

Thay số vào:

I ≈ 3.3 / 330 = 0.01 A = 10 mA

Điều này có nghĩa là trong thời điểm đầu khi gate bắt đầu được nạp, dòng nạp gate xấp xỉ 10 mA.

Ước lượng thời gian nạp gate

Thời gian nạp sơ bộ có thể ước lượng bậc một bằng cách lấy điện tích gate chia cho dòng nạp.

Công thức ước lượng thời gian nạp

t ≈ Qg / I

Thay số vào:

t ≈ 7 nC / 10 mA ≈ 0.7 μs

Như vậy, thời gian nạp gate sơ bộ trong ví dụ này vào khoảng 0.7 micro giây.

Bài học rút ra

Điện trở gate không có một giá trị đúng cho mọi mạch. Giá trị này phụ thuộc vào nhiều yếu tố như:

  • Điện tích gate của MOSFET
  • Khả năng cấp dòng của chân điều khiển
  • Tốc độ bật và tắt mong muốn
  • Mức nhiễu mà mạch có thể chấp nhận

Vì vậy, các giá trị như 100 Ω, 220 Ω hoặc 330 Ω chỉ là những mức khởi đầu phổ biến trong thực tế, không phải một quy tắc cố định cho mọi thiết kế.

Cách chọn transistor đúng cho từng ứng dụng

Khi nào nên chọn BJT?

BJT là lựa chọn phù hợp khi:

  • Bạn muốn học thật chắc nguyên lý điện tử cơ bản
  • Tải không quá lớn
  • Mạch đơn giản
  • Không yêu cầu hiệu suất chuyển mạch quá cao
  • Muốn dễ hiểu mối quan hệ giữa dòng điều khiển ở base và dòng tải

Ngoài vai trò rất tốt trong học tập, BJT vẫn hữu ích trong nhiều mạch thực tế như tải nhỏ, mạch tín hiệu nhỏ và các ứng dụng không đòi hỏi tổn hao quá thấp.

Khi nào nên chọn MOSFET?

MOSFET thường phù hợp hơn khi:

  • Cần đóng cắt tải hiệu quả hơn
  • Dòng tải lớn hơn
  • Muốn giảm tổn hao dẫn
  • Muốn sụt áp nhỏ hơn khi transistor mở
  • Dùng vi điều khiển để điều khiển tải
  • Cần PWM hoặc đóng cắt nhanh hơn

Tuy nhiên, khi chọn MOSFET, điều rất quan trọng là phải kiểm tra xem transistor có mở tốt ở đúng điện áp gate mà mạch của bạn đang có hay không, đặc biệt với GPIO 3.3 V hoặc 5 V.

Khi nào nên dùng driver thay vì transistor rời?

Trong các trường hợp như:

  • Nhiều relay
  • Nhiều tải cùng lúc
  • Motor
  • Tải cảm
  • PWM nhanh
  • Dòng tải lớn
  • Cần bảo vệ tốt hơn

thì driver IC thường là lựa chọn thuận tiện và an toàn hơn so với transistor rời.

Lý do là driver IC thường giúp:

  • Mạch gọn hơn
  • Dễ thiết kế hơn
  • Giảm sai sót
  • Có sẵn các chức năng bảo vệ trong nhiều trường hợp

Dù vậy, transistor rời vẫn rất phù hợp với những mạch đơn giản, ít tải và mục tiêu học nguyên lý.

Low-side switch và high-side switch là gì?

Low-side switch

Low-side switch là kiểu mạch trong đó:

  • Tải nối lên nguồn dương
  • Transistor đặt ở phía dưới tải
  • Transistor đóng vai trò kéo dòng xuống GND

Đây là kiểu đơn giản nhất, dễ học nhất và cũng là kiểu phù hợp nhất cho phần lớn ví dụ nhập môn.

High-side switch

High-side switch là kiểu mạch trong đó:

  • Transistor đặt phía trên tải
  • Transistor có nhiệm vụ cấp nguồn dương cho tải

Kiểu này khó hơn vì việc điều khiển transistor không còn đơn giản như low-side, đặc biệt khi dùng MOSFET công suất. Với high-side switch, mức điện áp điều khiển thường phức tạp hơn và cần quan tâm nhiều hơn đến cách tham chiếu điện áp.

Người mới nên bắt đầu với kiểu nào?

Người mới nên bắt đầu với low-side switch vì kiểu này:

  • Dễ hiểu
  • Dễ tính toán
  • Dễ đo kiểm
  • Dễ tìm lỗi
  • Phù hợp với phần lớn bài học nhập môn

Low-side không phải lúc nào cũng là giải pháp cuối cùng cho mọi ứng dụng, nhưng nó là điểm bắt đầu tốt nhất để học cách transistor hoạt động trong mạch thực tế.

Những lỗi người mới rất hay mắc khi dùng transistor

Hiểu sai threshold voltage

Nhiều người nghĩ vượt ngưỡng là MOSFET mở hoàn toàn.
Điều đó không đúng. Threshold chỉ là mức bắt đầu dẫn.

Dùng MOSFET không phù hợp cho GPIO 3.3 V

Có nhiều MOSFET nhìn qua tưởng dùng được, nhưng thực tế không mở đủ mạnh ở 3.3 V. Kết quả là:

  • MOSFET nóng
  • Tải yếu
  • Sụt áp lớn
  • Mạch kém ổn định

Tính base resistor chỉ dựa vào hFE danh định

Đây là lỗi dễ làm transistor không vào bão hòa, khiến relay hút không chắc hoặc transistor nóng.

Quên diode dập xung cho relay và tải cảm

Đây là lỗi rất phổ biến và rất nguy hiểm cho transistor.

Quên điện trở kéo gate xuống

Nếu gate bị treo, MOSFET có thể tự mở ngẫu nhiên.

Không nối chung GND

Đây là lỗi cực kỳ phổ biến khi dùng nguồn ngoài cho tải.

Bỏ qua nhiệt

Người mới thường chỉ nhìn dòng tối đa mà quên:

  • Tổn hao dẫn
  • Nhiệt độ môi trường
  • Khả năng tản nhiệt
  • Kích thước package

Mạch có thể đúng trên sơ đồ nhưng vẫn thất bại ngoài thực tế nếu transistor quá nóng.

BJT và MOSFET trong công nghệ điện tử hiện đại

Ngày nay transistor không chỉ tồn tại ở dạng linh kiện rời cho mạch học tập. Nó còn là nền tảng của:

  • Nguồn xung
  • Bộ đổi điện áp
  • Bộ điều khiển motor
  • Hệ thống điện ô tô
  • Mạch sạc
  • Inverter
  • Vi xử lý và chip logic hiện đại

Trong điện tử công suất, ngoài transistor silicon truyền thống còn có các công nghệ mới như:

  • GaN
  • SiC

Những công nghệ này giúp cải thiện hiệu suất, tăng tốc độ chuyển mạch và hỗ trợ tốt hơn ở những ứng dụng điện áp hoặc công suất cao.

Tuy nhiên, với người mới, điều quan trọng nhất vẫn là:

  • Hiểu BJT
  • Hiểu MOSFET
  • Đọc sơ đồ được
  • Chọn linh kiện đúng
  • Tránh các lỗi cơ bản

Nếu nền tảng này chắc, việc học lên các công nghệ mới sẽ dễ hơn rất nhiều.

Quy tắc nhớ nhanh cho người mới khi học transistor

Có 7 đều bạn bần ghi nhớ

1. BJT điều khiển bằng dòng, MOSFET điều khiển bằng điện áp

Đây là câu nền tảng quan trọng nhất khi bắt đầu học transistor. Nếu hiểu đúng điểm này, bạn sẽ dễ phân biệt cách hoạt động của BJT và MOSFET trong mạch điện tử cơ bản.

2. VGS(th) không phải điện áp mở hoàn toàn

Đừng chọn MOSFET chỉ bằng thông số ngưỡng. VGS(th) chỉ là mức điện áp mà MOSFET bắt đầu dẫn, không có nghĩa là MOSFET đã mở đủ mạnh để làm công tắc tốt.

3. BJT làm công tắc phải có dòng base đủ mạnh

Đừng quá tin vào hFE danh định. Nếu dòng base không đủ, transistor có thể không vào bão hòa, khiến tải hoạt động yếu, relay hút không chắc hoặc transistor bị nóng.

4. Relay và tải cảm phải có diode dập xung

Đây là quy tắc an toàn rất cơ bản trong điện tử. Khi ngắt dòng qua relay, cuộn dây có thể sinh ra điện áp ngược lớn, vì vậy diode dập xung là thành phần rất quan trọng để bảo vệ transistor và vi điều khiển.

5. MOSFET dùng với GPIO 3.3 V phải là loại logic-level phù hợp

Không phải MOSFET nào cũng chạy tốt ở 3.3 V. Khi điều khiển bằng vi điều khiển như ESP32, STM32 hoặc Raspberry Pi Pico, bạn cần chọn MOSFET có thông số tốt ở điện áp gate thấp.

6. Gate nên có điện trở kéo xuống nếu cần giữ trạng thái tắt an toàn

Đừng để gate bị treo. Điện trở kéo xuống giúp MOSFET giữ trạng thái tắt ổn định khi chân GPIO chưa được khởi tạo hoặc đang ở trạng thái không xác định.

7. Phải nối chung GND giữa mạch điều khiển và mạch tải

Sai chỗ này là mạch rất dễ không chạy. Nếu mạch vi điều khiển và nguồn tải không dùng chung mass, điện áp điều khiển sẽ không được xác định đúng và MOSFET hoặc BJT có thể hoạt động sai.

Điều bạn cần nhớ sau bài này

Transistor không khó nếu học đúng cách. Khi hiểu đúng nguyên lý cơ bản, bạn sẽ thấy BJT và MOSFET là những linh kiện rất logic, rất dễ ứng dụng và cực kỳ quan trọng trong điện tử thực hành.

Điều khiến người mới thấy transistor rối là vì thường bị dạy bằng những câu quá ngắn như:

  • “BJT là 0.7 V”
  • “MOSFET chỉ cần vượt ngưỡng là mở”
  • “gain 100 thì cứ chia 100 là xong”

Những câu này chỉ đúng một phần. Nếu dừng ở đó, bạn rất dễ làm sai mạch thực tế.

Cách học giúp bạn hiểu đúng là:

  • Học low-side switch trước
  • Phân biệt rõ BJT với MOSFET
  • Hiểu đúng vai trò của Base, Gate, Collector, Emitter, Drain và Source
  • Biết tính điện trở cơ bản
  • Biết vì sao cần diode dập xung
  • Biết vì sao phải nối chung GND
  • Biết nhìn vấn đề nhiệt và tổn hao

Khi bạn hiểu những điều đó, transistor sẽ không còn là linh kiện “bí ẩn”, mà trở thành một công cụ cực kỳ mạnh để bạn điều khiển gần như mọi thứ trong điện tử cơ bản.

Nếu bạn đang tìm một giải pháp điều chỉnh độ sáng LED đơn giản, dễ lắp và hoạt động ổn định, mạch Dimmer 5V–24V tại nguonled.vn là lựa chọn rất đáng cân nhắc. Sản phẩm hỗ trợ điện áp đầu vào 5V đến 24V DC, dòng tải tối đa 30A/CH, phù hợp cho nhiều ứng dụng như LED dây, LED quảng cáo và các hệ đèn DC cần dimming mượt. Đây là lựa chọn thực tế cho người muốn ứng dụng nguyên lý MOSFET và PWM vào hệ thống chiếu sáng mà không cần tự thiết kế mạch từ đầu.

Bài viết được biên soạn bởi đội ngũ kỹ thuật của Công Ty TNHH An Đức Phát, với định hướng cung cấp nội dung chuyên môn chính xác, dễ hiểu và phù hợp với cả người mới bắt đầu lẫn người đang tìm giải pháp ứng dụng thực tế.

Bài viết khác

11-04-2026 10:30:51 - 124
Nối dây điện sai cách có thể gây lỏng mối nối, phát nhiệt, rò điện hoặc chập cháy. Bài viết hướng dẫn 3 kiểu nối dây điện dân dụng phổ biến tại nhà, kèm các nguyên tắc an toàn quan trọng và những trường hợp không nên tự làm.
Xem thêm
09-01-2021 09:28:36 - 2840
Chọn sai loại đèn nhà xưởng thì cả phương án phía sau rất dễ lệch: hoặc thiếu sáng, hoặc chói, hoặc phải tăng số lượng đèn không cần thiết. Bài viết này giúp bạn phân biệt các loại đèn nhà xưởng phổ biến và chọn đúng theo từng khu vực sử dụng.
Xem thêm
08-01-2021 16:52:36 - 2791
Highbay không đơn giản là đèn công suất lớn. Đây là nhóm đèn được thiết kế cho không gian treo cao, nơi cần đưa ánh sáng từ trên xuống đủ mạnh nhưng vẫn kiểm soát được vùng chiếu và độ đồng đều. Vì vậy, muốn hiểu Highbay đúng, phải nhìn từ đặc điểm không gian trước chứ không chỉ nhìn watt.
Xem thêm
08-01-2021 15:40:36 - 3343
Lắp đèn LED chiếu điểm không chỉ là đưa đèn vào vị trí rồi đấu điện cho sáng. Nếu làm sai ngay từ đầu, đèn vẫn có thể hoạt động nhưng lại dễ nhấp nháy, nóng bất thường hoặc nhanh hỏng. Bài viết này hướng dẫn bạn cách lắp đèn LED chiếu điểm đúng kỹ thuật, an toàn và dễ áp dụng trong thực tế.
Xem thêm
08-01-2021 14:06:53 - 2868
Đèn LED chiếu điểm là giải pháp tạo điểm nhấn cho tranh, kệ decor, shop và showroom. Bài viết giúp bạn hiểu đúng bản chất, phân biệt với đèn rọi ray và downlight, đồng thời biết cách chọn theo góc chiếu, CRI, nhiệt màu và nhu cầu thực tế.
Xem thêm
08-01-2021 11:57:00 - 3715
Đèn LED âm trần bị nhấp nháy không phải lúc nào cũng do hỏng đèn. Bài này giúp bạn kiểm tra đúng thứ tự để phân biệt lỗi do driver, đầu nối, nguồn điện hay do chính bộ đèn.
Xem thêm
08-01-2021 10:28:23 - 2604
Cách chọn đèn LED âm trần đúng từ lumen, CRI, nhiệt màu, lỗ khoét đến driver. Đọc trước khi mua để tránh chọn sai mẫu, sai ánh sáng hoặc sai kích thước lắp đặt.
Xem thêm
08-01-2021 09:15:55 - 2935
Nếu bạn chưa rõ đèn LED âm trần là gì, bài này sẽ giúp bạn hiểu từ cấu tạo, phân loại đến ứng dụng thực tế trong nhà ở. Đọc xong sẽ dễ chọn đúng hơn.
Xem thêm
07-01-2021 16:28:51 - 3332
Hướng dẫn lắp đèn LED âm trần từ bước đo lỗ khoét, kiểm tra khoảng trống trần, đấu nối dây đến đặt driver đúng vị trí, giúp hạn chế lỗi hở mép, chập chờn và giảm tuổi thọ sau khi lắp.
Xem thêm
07-01-2021 14:28:56 - 2843
Nhiều người chọn đèn trụ cổng năng lượng mặt trời quá sớm vì thấy mẫu đẹp là muốn chốt ngay, trong khi chưa đo trụ, chưa nhìn đúng nắng ở đầu trụ và chưa xác định rõ nhu cầu dùng buổi tối. Bài này là checklist khảo sát thực tế giúp bạn nhìn đúng hiện trạng cổng nhà mình trước khi xem mẫu hoặc nhờ tư vấn, để tránh chọn sai ngay từ đầu...
Xem thêm

Sản phẩm khuyến mãi

Đèn led mắt cáo 2x1.5m đủ màu

sao sao sao sao sao
155.000 đ
195.000 đ

Mô tả đèn led mắt cáo 2x1.5m đủ màu

  • Tên sản phẩm: Đèn led mắt cáo 2x1.5m đủ màu
  • Thương hiệu: An Đức Phát
  • Mã sản phẩm: Led rèm lưới 2x1.5m đủ màu - ADP
  • Điện áp: 220V AC
  • Kích thước (mét): 2x1.5
  • Ánh sáng: Đủ màu
  • Chất liệu: Vỏ nhựa + lõi dây nhôm
  • Chỉ số bảo vệ: IP44
  • Điều khiển 8 chế độ
  • Có thể nối dài
  • Bao test sáng

ĐÈN PHA LED VỎ ĐEN 100W

sao sao sao sao sao
Liên hệ

Mô tả đèn pha led 100W vỏ đen loại tốt

  • Tên sản phẩm: Đèn pha led 100W vỏ đen
  • Công suất: 100W
  • Quang thông: 9.000lm
  • Kích thước: 100W - 315mm * 280mm * 90mm
  • Hiệu Quả Luminous (lm/w): 90lm * W
  • Bảo hành: 24 tháng

Adapter camera 12V-5A

sao sao sao sao sao
Liên hệ

Thông số kỹ thuật adapter 12V 5A loại tốt, giá rẻ

  • Tên sản phẩm: Adapter 12V 5A
  • Đầu vào: AC 100-240V - 50-60 Hz.
  • Đầu ra: DC 12V 5A
  • Kích thước chui cắm DC: 5.5mm x 2.5mm, hoặc 2,1mm
  • Adapter DC 12V 5A sử dụng cho các thiết bị như LCD, Led, Camera hay các thiết bị có đầu vào DC 12V 5A (hoặc nhỏ hơn 12V 2A, 12V 1.5A, 12V 1A, 24V 2A, 24V 5A, 5V 60A, 5V 40A)

Adapter camera 12V-4A

sao sao sao sao sao
70.000 đ
90.000 đ

Thông số kỹ thuật adapter 12V 4A loại tốt, giá rẻ

  • Tên sản phẩm: Adapter 12V 4A (adaptor camera 12V 4A)
  • Đầu vào: AC 100-220V - 50-60 Hz.
  • Đầu ra: DC 12V 4A
  • Kích thước chuôi: 5.5mm x 2.5mm
  • Adapter DC 12V 4A đầu lớn sử dụng cho các thiết bị như LCD, Led, Camera hay các thiết bị có đầu vào DC 12V 4A (hoặc nhỏ hơn 2A, 1.5A, 1A...).
Sản phẩm bán chạy

Bóng led chanh 3w RGB

sao sao sao sao sao
Liên hệ

Xuất xứ: Việt Nam

Bảo hành: 1 năm

Mô tả đèn led trái chanh 3w loại tốt, giá rẻ, chất lượng

  • Tến sản phẩm: Bóng đèn trái chanh
  • Điện áp đầu vào: 220V-240V
  • Nhiệt độ màu: RGB (nhiều màu)
  • Chip LED: 2835
  • Thông lượng phát sáng: 100lm/w
  • Định dạng: Dạng cầu tròn
  • Tuổi thọ trung bình (giờ): 20000
  • Kích thước: D45*H70mm

Bóng led chanh 3w tím

sao sao sao sao sao
Liên hệ

Xuất xứ: Việt Nam

Bảo hành: 1 năm

Mô tả đèn led trái chanh 3w loại tốt, giá rẻ, chất lượng

  • Tến sản phẩm: Bóng đèn trái chanh
  • Điện áp đầu vào: 220V-240V
  • Nhiệt độ màu: Tím
  • Chip LED: 2835
  • Thông lượng phát sáng: 100lm/w
  • Định dạng: Dạng cầu tròn
  • Tuổi thọ trung bình (giờ): 20000
  • Kích thước: D45*H70mm

Đèn led búp tròn 3w

sao sao sao sao sao
Liên hệ

Xuất xứ: Việt Nam

Bảo hành: 1 năm

Mô tả đèn led búp tròn loại tốt, giá rẻ, chất lượng

  • Tến sản phẩm: Bóng đèn búp tròn loại tốt, cao cấp
  • Điện áp đầu vào: AC 200V-240V
  • Màu ánh sáng: Trắng, Vàng
  • Công suất: 3w
  • Độ sáng: 100lm/w
  • Đui vặn: E14, E27
  • Nhiệt độ màu: 6000K-6500K (trắng), 2800K-3500K (vàng)
  • Chip LED: 2835

Đèn led rọi cây 6w

sao sao sao sao sao
Liên hệ

Xuất xứ: China

Bảo hành: 1 năm

Mô tả đèn led chiếu cây cảnh loại tốt, giá rẻ, chất lượng, cao cấp

  • Tến sản phẩm: Đèn led rọi cây
  • Màu sắc: Màu trắng, đỏ, lá, dương, hồng, vàng... (tùy chọn)
  • Công suất tiêu thụ: 12W
  • Điện áp đầu vào: 85-265VAC / 12V
  • Cấp độ bảo vệ: IP67
  • Chất liệu: Thép không gỉ, nhôm
  • Tuổi thọ đèn LED: 50.000 giờ

Đèn led rọi cây 12w

sao sao sao sao sao
Liên hệ

Xuất xứ: China

Bảo hành: 1 năm

Mô tả đèn led chiếu cây cảnh loại tốt, giá rẻ, chất lượng, cao cấp

  • Tến sản phẩm: Đèn led rọi cây
  • Màu sắc: Màu trắng, đỏ, lá, dương, hồng, vàng... (tùy chọn)
  • Công suất tiêu thụ: 12W
  • Điện áp đầu vào: 85-265VAC / 12V
  • Cấp độ bảo vệ: IP67
  • Chất liệu: Thép không gỉ, nhôm
  • Tuổi thọ đèn LED: 50.000 giờ

Đèn led âm đất vuông 36w

sao sao sao sao sao
Liên hệ

Xuất xứ: China

Bảo hành: 1 năm

Mô tả đèn led âm đất vuông loại tốt, giá rẻ, chất lượng, cao cấp

  • Tến sản phẩm: Đèn led âm đất vuông
  • Màu sắc: Màu trắng, đỏ, lá, dương, hồng, vàng... (tùy chọn)
  • Công suất tiêu thụ: 36W
  • Điện áp đầu vào: 85-265VAC / 12V
  • Cấp độ bảo vệ: IP67
  • Chất liệu: Thép không gỉ, nhôm và nhựa
  • Tuổi thọ đèn LED: 50.000 giờ

Đèn led âm đất vuông 12w

sao sao sao sao sao
Liên hệ

Xuất xứ: China

Bảo hành: 1 năm

Mô tả đèn led âm đất vuông loại tốt, giá rẻ, chất lượng

  • Tến sản phẩm: Đèn led âm đất vuông
  • Màu sắc: Màu trắng, đỏ, lá, dương, hồng, vàng... (tùy chọn)
  • Công suất tiêu thụ: 12W
  • Điện áp đầu vào: 85-265VAC / 12V
  • Cấp độ bảo vệ: IP67
  • Chất liệu: Thép không gỉ, nhôm và nhựa
  • Tuổi thọ đèn LED: 50.000 giờ

Đèn led âm đất vuông 9w

sao sao sao sao sao
Liên hệ

Mô tả đèn led âm đất vuông loại tốt, giá rẻ, chất lượng, cao cấp

  • Tến sản phẩm: Đèn led âm đất vuông
  • Màu sắc: Màu trắng, đỏ, lá, dương, hồng, vàng... (tùy chọn)
  • Công suất tiêu thụ: 9W
  • Điện áp đầu vào: 85-265VAC / 12V
  • Cấp độ bảo vệ: IP67
  • Chất liệu: Thép không gỉ, nhôm và nhựa
  • Tuổi thọ đèn LED: 50.000 giờ

Đèn led trang trí Noel 50m đủ màu

sao sao sao sao sao
160.000 đ
195.000 đ

Mô tả về đèn led trang trí Noel 50m đủ màu

  • Tên sản phẩm: Đèn led trang trí Noel 50m đủ màu
  • Điện áp: 220V AC
  • Màu sắc ánh sáng: Đủ màu
  • Chiều dài dây: 50m
  • Màu vỏ dây: Đen
  • Chế độ chớp: 8 chế độ
  • Chỉ số bảo vệ: IP65

Đèn led trang trí noel 50m màu hồng

sao sao sao sao sao
165.000 đ
195.000 đ

Mô tả về đèn led trang trí Noel 50m màu hồng

  • Tên sản phẩm: Đèn led trang trí Noel 50m màu hồng
  • Điện áp: 220V AC
  • Màu sắc ánh sáng: Màu hồng
  • Chiều dài dây: 50m
  • Màu vỏ dây: Đen
  • Chế độ chớp: 8 chế độ
  • Chỉ số bảo vệ: IP65

Đèn led trang trí noel 50m màu xanh lá

sao sao sao sao sao
160.000 đ
195.000 đ

Mô tả về đèn led trang trí Noel 50m màu xanh lá

  • Tên sản phẩm: Đèn led trang trí Noel 50m màu xanh lá
  • Điện áp: 220V AC
  • Màu sắc ánh sáng: Xanh lá
  • Chiều dài dây: 50m
  • Màu vỏ dây: Đen
  • Chế độ chớp: 8 chế độ
  • Chỉ số bảo vệ: IP65

ĐÈN TRỤ CỔNG NLMT GDL12

sao sao sao sao sao
Liên hệ
  • Giá sản phẩm:
  • Xuất xứ: Taiwan, Việt Nam
  • Bảo hành: 1 năm

Mô tả đèn trụ cổng NLMT - Solar Pillar Light GDL12 giá rẻ, chiết khấu cao

  • Tên sản phẩm: Đèn trụ cổng năng lượng mặt trời (đèn trụ cổng NLMT) GDL12
  • Màu sắc: Đen
  • Điện áp: 220V
  • CCT: 3000K / 6000K (ánh sáng vàng/trắng)
  • Chất liệu: Kim loại
  • Chất liệu thân đèn: Sắt
  • Diện tích chiếu sáng: 3-5 mét vuông
  • Công suất: 6-10W
  • Cấp độ bảo vệ: IP65
  • Nguồn điện: AC
  • Số lượng đèn: 1 bóng
  • Chứng nhận: CCC / RoHS / ce
  • Không gian áp dụng: tường, cột trụ, ngoài trời, sân, vườn, gian hàng, sân nhà
  • Bảo hành: 1-2 năm tùy sản phẩm
  • Thời gian sạc: 8h
  • Tuổi thọ: 100.000 (h)

ĐÈN TRỤ CỔNG NLMT GDL05

sao sao sao sao sao
Liên hệ
  • Giá sản phẩm:
  • Xuất xứ: Taiwan, Việt Nam
  • Bảo hành: 1 năm

Mô tả đèn trụ cổng NLMT - Solar Pillar Light GDL05 chiếu sáng lối đi

  • Tên sản phẩm: đèn trụ cổng năng lượng mặt trời (đèn trụ cổng NLMT) GDL05
  • Công dụng: chiếu sáng ngoài trời
  • Phong cách: châu Âu
  • Vật liệu thân: Nhôm đúc
  • Chất liệu bóng: kính
  • Chỉ số bảo vệ: IP54
  • Màu sắc: đồng thau
  • Kích thước: Chiều cao * Chiều rộng, 29cm * 15cm
  • Thông tin bóng đèn
  • Nguồn sáng: E27 Đèn sợi đốt, đèn LED, Đèn tiết kiệm năng lượng
  • Điện áp: 110-240V
  • Công suất: 0-60W
  • Chứng nhận: CCC / RoHS / ce

ĐÈN TRỤ CỔNG NLMT GDL03

sao sao sao sao sao
Liên hệ
  • Giá sản phẩm:
  • Xuất xứ: Taiwan, Việt Nam
  • Bảo hành: 1 năm

Mô tả đèn trụ cổng NLMT - Solar Pillar Light GDL03 chất lượng cao, giá rẻ

  • Tên sản phẩm: Đèn trụ cổng năng lượng mặt trời (đèn trụ cổng NLMT) GDL03
  • Màu sắc: Đen
  • Điện áp: 85-265V
  • Công suất: 6-10W
  • Diện tích chiếu sáng: 5-10 mét vuông
  • CCT: 3000K / 6000K (ánh sáng vàng/trắng)
  • Chứng nhận: CCC / RoHS / ce
  • Cấp bảo vệ: IP54
  • Nguồn điện: Năng lượng mặt trời
  • Số lượng đèn LED: 1
  • Chất liệu: Kim loại
  • Nguồn sáng: Bóng đèn LED
  • Vật liệu thân đèn: Sắt

ĐÈN PHA SẠC 50W

sao sao sao sao sao
Liên hệ

Mô tả Rechargeable Light 50W - Đèn Pha Sạc 50W tiết kiệm điện, siêu bền

  • Tên sản phẩm: Đèn pha sạc điện (rechargeable light) 50W
  • Led: 36 led
  • Điện áp: AC 110-240V
  • Công suất: 50W
  • Lumens/quang thông: 24000LM
  • Chỉ số chống thấm nước: IP65
  • Chất liệu: nhựa ABS
  • Kích thước sản phẩm: như hình
  • Chi tiết phụ kiện: đèn * 1 + dây sạc * 1
  • Pin: 4 pin 18650 ( sản phẩm không bao gồm pin)
  • Tuổi thọ: 50000h
Nhân viên hỗ trợ

Lê Thu Hương

0898.434.565

0898.434.565

Trần Thu Thảo

0898.434.565

0898.434.565

Nguyễn Thị Thắm

0898.434.565

0898.434.565

Nguyễn Minh Khang

0898.434.565

0898.434.565

Lê Văn Duôl

0898.434.565

0898.434.565

Võ Quốc Sơn

0898.434.565

Nguyễn Tuấn Khắc

0898.434.565

0898.434.565

Zalo
Hotline
0898.434.565